Ensaio de corrente de fuga – O que é, para que serve e como é feito.
O ensaio de corrente de fuga é um ensaio não destrutivo realizado em equipamentos e ferramentas elétrica para verificar o valor das correntes que circulam fora do circuito em locais como gabinete e aterramento do objeto sob teste. Fabricantes e laboratórios frequentemente realizam esse tipo de ensaio para garantir a segurança e qualidade dos seus produtos. É comum usarem o termo “corrente de fuga” para identificar a corrente circulando num ensaio de HIPOT, porém esse é um ensaio diferente.
No Brasil o ensaio de corrente de fuga é comumente aplicado nos equipamentos abaixo, entre outros.
- Equipamentos médicos: Segundo a portaria INMETRO 350/2010, Fabricantes de equipamentos eletromédicos devem realizar esse ensaio em 100% dos equipamentos produzidos conforme a norma NBR IEC 60601-1.
- Eletrodomésticos: Segundo a portaria INMETRO 371/2009, ao certificar um novo produto os fabricantes de eletrodomésticos devem submete-lo a ensaios de laboratório entre os quais há o ensaio de corrente de fuga conforme a norma NBR IEC 60335-1.
- Bebedouros: Segundo a portaria INMETRO 191/2003, ao certificar um novo produto os fabricantes de bebedouros devem submete-lo a ensaios de laboratório entre os quais há o ensaio de corrente de fuga conforme a norma NBR IEC 60335-1.
- Luminárias para iluminação pública: Segundo a portaria INMETRO 20/2017, ao certificar um novo produto os fabricantes de luminárias devem submete-lo a ensaios de laboratório entre os quais há o ensaio de corrente de fuga conforme a norma NBR IEC 60958-1.
- Bens de informática: Segundo a portaria INMETRO 170/2012, ao certificar um novo produto os fabricantes de bens de informática devem submete-lo a ensaios de laboratório entre os quais há o ensaio de corrente de fuga conforme a norma IEC 60950-1.
Ensaio
A corrente de fuga em um equipamento é uma corrente não funcional que circula em partes nas quais idealmente ela não deveria circular, como aterramento e carcaça/gabinete. Devido à capacidade limitada dos materiais isolantes de bloquear corrente e às capacitâncias formadas por materiais condutores próximos, as correntes de fuga irão surgir. Como não é possível eliminá-las, estabelece-se um limite seguro para as correntes de fuga.
Cada norma tem limites e metodologias diferentes para medir as correntes de fuga. Abaixo são mostrados dois dos tipos mais comuns de corrente de fuga.


Os equipamentos de ensaio de corrente de fuga são equipamentos com capacidade de medir a corrente da forma estabelecida pela norma em questão e também proporcionar as diferentes situações de medida exigidas por norma.
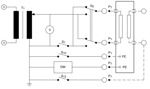
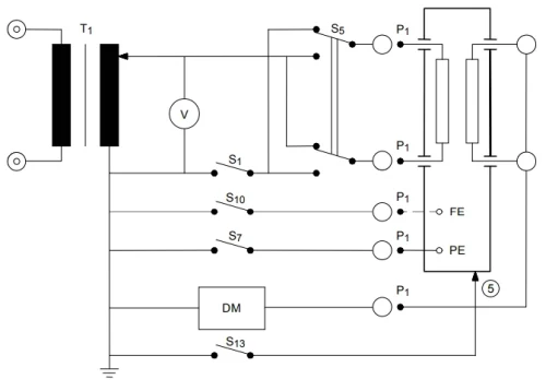
As metodologias para medida de corrente de fuga são bastante diversas, as diferentes normas especificam ensaios de forma diferente, não havendo uma maneira padrão de fazer a medida que se aplique a quaisquer tipos de equipamentos. A imagens abaixo contém alguns exemplos de circuitos de medida de corrente de fuga.




Equipamentos
A Entran disponibiliza os seguintes equipamentos para ensaios de corrente de fuga:
- HGI7000: Faz o ensaio em equipamentos médicos conforme a norma NBR IEC 60601-1 de forma automatizada. Realiza também ensaios de rigidez dielétrica e corrente de fuga.
- LCT7300: Faz o ensaio em equipamentos médicos conforme a norma NBR IEC 60601-1 de forma automatizada.
- LCT05M: Faz o ensaio em equipamentos médicos conforme a norma NBR IEC 60601-1 de forma manual.
- LGI3000: Faz o ensaio em equipamentos médicos conforme a norma IEC 62353 de forma automatizada. Realiza também as medidas de continuidade de aterramento, resistência de isolamento e funcional.
Exemplo
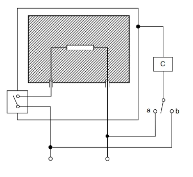
As imagens abaixo mostram exemplos de conexão entre o produto sob teste e o equipamento de ensaio Entran.


